WILDCATS

Supramolecular Chemistry Group


        joint with the Research Unit of Nano-organics and Nano-hybrids of IROAST

WILDCATS

WILDCATS

Hello

We are a research group for supramolecular assemblies and hybrid nano-objects at the Department of Applied Chemistry and Biochemistry, Kumamoto University of Japan. You can enjoy our web sites including scientific topics and memories.

We are always welcome you to be a member of our research group as an undergraduate student and a graduate student (MS and PhD). Foreign students are encouraged to apply IJEP program with MEXT scholarship. We are also inviting JSPS fellows and other research fellows (Post-doc).

Thank you for visiting the web site of our laboratory. Please feel free to contact us if you have an interest to our group.

Dear Alumni members

Please visit also the website of our origin

Research topics

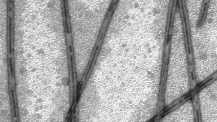
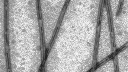
    One-dimensional supramolecular assemblies and their photo and catalytic functions

    Nano to micro sized functional organic and hybrid microspheres

    Supramolecular gels and hybrid polymer network gels

    Natural polymer hybridized sustainable materials (Environmental friendly)

    Nano-organic and nano-hybrid materials

Faculty of Advanced Science and Technology (for faculties and stuffs)

Graduate School of Science and Technology  (for graduate students)

Faculty of Engineering (for undergraduate students)


Department of Materials Science and Applied Chemistry

KUMAMOTO University, Japan

2-39-1 Kurokami, Kumamoto 860-8555 Japan

phone & fax: +81-96-342-3663

e-mail: takafuji(at)kumamoto-u.ac.jp


Kurokami South Campus, W4 (Applied Chemistry and Biochemistry)

© April, 2019. Supramolecular Chemistry Group at KU